


Product display
Product display
壓力:250 公斤 | 理論吸水量: 19.7 公升/分鐘
產品特色:
新產品特色:
內銷標準配件:
1). 壓力錶
2). 自動洩壓總成(安全弁)
3). 吸水管組 3/4"*10尺
4). 吸水過濾網及過濾網申目
5). 迴水管組 1/2"* 9尺
產品用途:
★ 一般清潔:可廣泛用於各產業清洗用途。
★ 交通運輸業:提供全系列泵浦,可適應不同水刀或隧道洗車需求,協助客戶清洗各型交通運輸工具。
★ 伐木業、木藝業:清洗表面樹皮、內部雜質等用途。
★ 各類機械清洗: 清洗機械表面及內部。
★ 食品加工業:不鏽鋼泵浦可符合食品級產業需求,作為清潔中央廚房之鍋爐廚具或均質處理之用。
★ 管路試壓:利用高水壓協助測試五金接頭、各類橡膠或塑膠水管工作壓力與爆破壓力。
★ 造霧系統:搭配馬達與時間控制系統,可用於造霧系統降低室內外溫度。
★ 降塵除臭:運用微霧系統,降低室內外飛塵以及空氣中的異味。
★ 加溼系統:裝載於機體上,為工作機台加溼工具,降低人工成本。
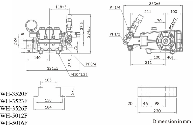
规格:
型號 | 吸水量 | 工作壓力 | 所需馬力 | 轉速 | |||
L/Min. | gpm | kgf/cm2 | psi | HP | KW | rpm | |
WH-3520F | 19.7 | 5.1 | 250 | 3500 | 13 | 9.8 | 1750 |
材積: 38x37x30 cm | 重量: 19.2 kg (僅單機重量) | ||||||

苏公网安备32050702012027号