


Product display
Product display
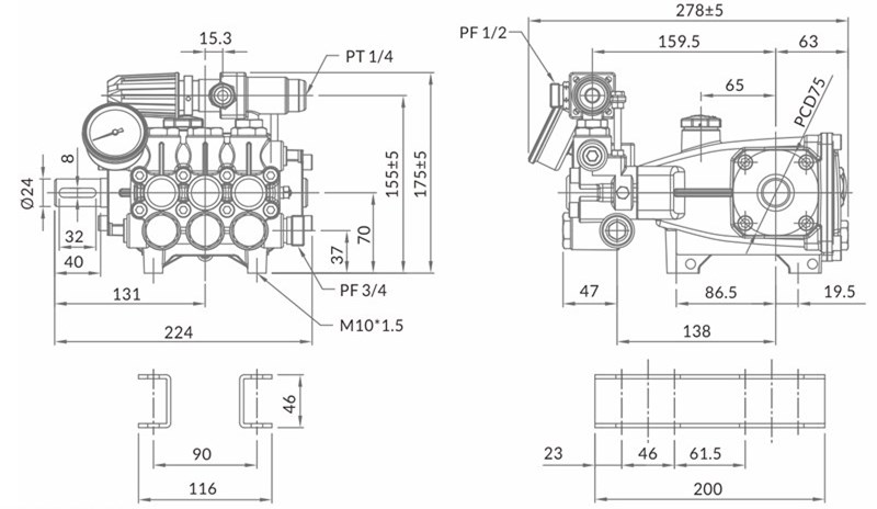
壓力: 175 公斤 | 理論吸水量: 13 公升/分鐘
產品特色:
· 工作壓力:最高使用壓力175公斤;理論吸水量13公升/分鐘。
· 大水量設計,可應用於低轉速、高壓力之自動噴霧或造霧系統。
· 前座以鑄銅處理、抗腐蝕、耐長時間運轉,同時具備耐久與低噪音特質。
· 柱塞式泵浦:採用鋁合金曲軸箱,精密鍛造曲軸。
· 柱塞套:採用高密度陶瓷柱塞,高硬度耐磨耗,可長時間使用。
· 迫緊:特殊設計迫緊,可加強使用壽命。
· 可調式壓力閥:壓力穩定,節省能源。
新產品特色:
· ∙連桿採用高耐磨鋁合金材質,耐磨度提高3倍以上,油品不易變質。
· ∙曲軸高週波處理,與軸封作動運轉時,增加使用壽命。
· ∙簡化柱塞組零件,更易於組立。
· ∙迫緊採用新材質,耐久壽命由1000hrs提高至1500hrs。
內銷標準配件:
1). 壓力錶
2). 自動洩壓總成(安全弁)
3). 吸水管組 3/4"*10尺
4). 吸水過濾網及過濾網申目
5). 迴水管組 1/2"* 9尺
產品用途:
★ 一般清潔:可廣泛用於各產業清洗用途。
★ 交通運輸業:提供全系列泵浦,可適應不同水刀或隧道洗車需求,協助客戶清洗各型交通運輸工具。
★ 伐木業、木藝業:清洗表面樹皮、內部雜質等用途。
★ 各類機械清洗: 清洗機械表面及內部。
★ 食品加工業:不鏽鋼泵浦可符合食品級產業需求,作為清潔中央廚房之鍋爐廚具或均質處理之用。
★ 管路試壓:利用高水壓協助測試五金接頭、各類橡膠或塑膠水管工作壓力與爆破壓力。
★ 造霧系統:搭配馬達與時間控制系統,可用於造霧系統降低室內外溫度。
★ 降塵除臭:運用微霧系統,降低室內外飛塵以及空氣中的異味。
★ 加溼系統:裝載於機體上,為工作機台加溼工具,降低人工成本。
规格:型号 | 吸水量 | 工作压力 | 所需马力 | 转数 | |||
WH-2513F | L/Min | gpm | Kgf/cm² | psi | HP | KW | rpm |
13 | 3.4 | 175 | 2500 | 5.7 | 4.3 | 1750 | |
|
|
|
|
|
|
|
|
材积:28*25*30.5cm | 重量:10.6kg(单机重量) | ||||||

苏公网安备32050702012027号